格力电器获得发明专利授权:“一种功率开关故障自检电路、方法、变频器及空调设备”

图片来源于网络,如有侵权,请联系删除
证券之星消息,根据天眼查APP数据显示格力电器(000651)新获得一项发明专利授权,专利名为“一种功率开关故障自检电路、方法、变频器及空调设备”,专利申请号为CN202011315183.8,授权日为2025年4月11日。
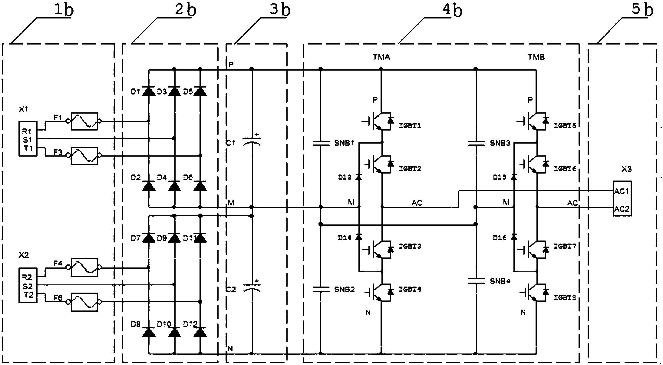
专利摘要:本发明公开一种功率开关故障自检电路、方法、变频器及空调设备。其中,该电路包括多个采样模块和主控芯片,采样模块与功率开关一一对应连接,其第一输入端输入第一电压,第二输入端输入第二电压,第三输入端连接功率开关的漏极,第四输入端输入所述栅极驱动信号;用于根据功率开关的通断状态以及栅极驱动信号生成指示信号,其中,指示信号用于指示功率开关是否发生故障;主控芯片,其输入端连接采样模块的输出端,用于根据指示信号判断所述功率开关是否发生故障,并在功率开关发生故障时控制所述栅极驱动信号封锁。通过本发明,能够实现在功率开关投入使用前进行故障自检,提升安全性和可靠性。

图片来源于网络,如有侵权,请联系删除
今年以来格力电器新获得专利授权1586个,较去年同期减少了3.23%。结合公司2024年中报财务数据,2024上半年公司在研发方面投入了35.32亿元,同比减0.35%。
数据来源:天眼查APP
以上内容为证券之星据公开信息整理,由智能算法生成(网信算备310104345710301240019号),不构成投资建议。
目录 返回
首页
